产品中心

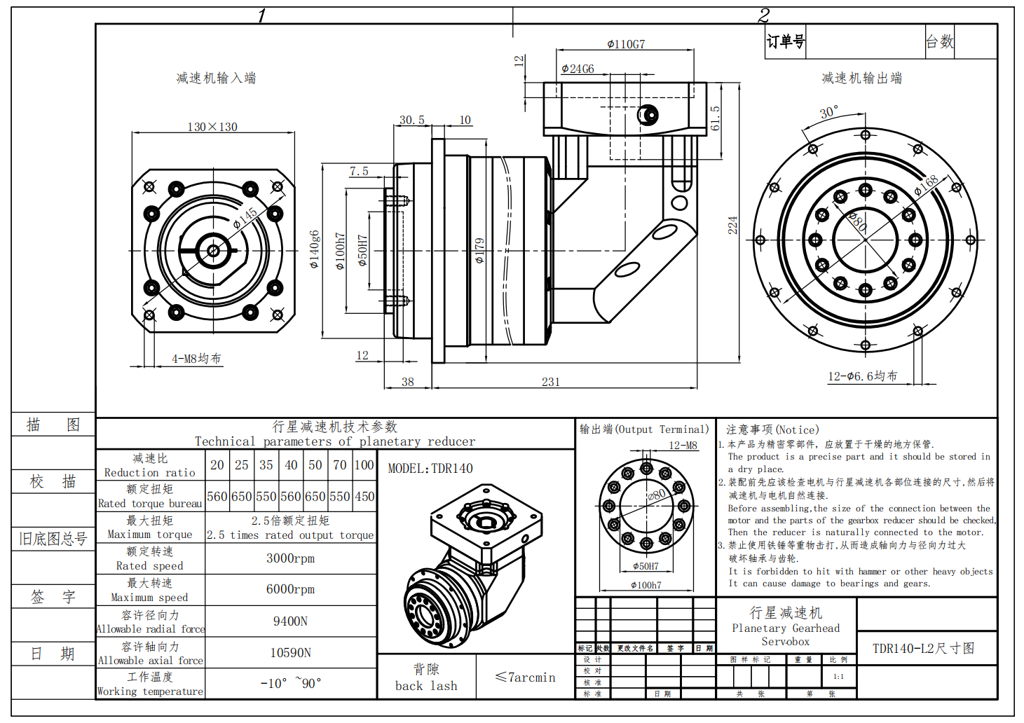
TDR系列行星减速机TDR140双级

TDR系列行星减速机,带有锥齿换向机构,可实现直角输出,使用高承载能力圆锥滚子轴承,可根据输出工况承受较大的径向力和轴向力,高精度锥齿轮传动,可承受较大扭矩及较高转速,适用于高速大扭矩和空间受限的转角区域使用,法兰盘输出,体积小,承载高,安装方便

TDR140 双级
减速比 i 12 15 20 25 30 35 40 50 70 100
额定输出力矩T2N Nm 242 542 542 650 600 550 542 650 550 450
最大输出力矩T2B Nm 2.5倍额定输出力矩
额定输入转速n1 rpm 3000
最大输入转速n1b rpm 6000
精密背隙P1 arcmin ≤6
标准背隙P2 arcmin ≤8
容许径向力F2rB² N 9400
容许轴向力F2aB² N 4700
平均使用寿命 hr 20000*
效率η % ≥97%
重量 kg 10
使用温度 °C .-30°C~+90°C
润滑 合成润滑油脂
转动惯量j1 kg.cm² 2.71 2.71 2.71 2.57 2.57 2.62 2.57 2.57 0.44 0.44
防护等级 IP65
安装方向 任意方向
噪音值(n1=3000rpm) dB ≤58